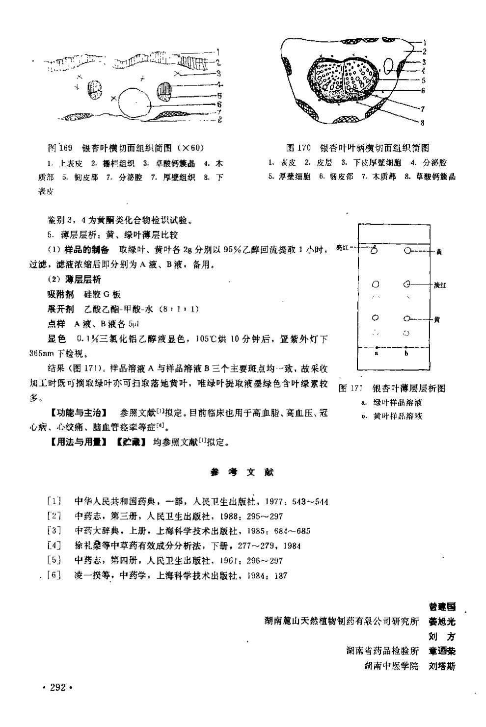
首页
GMP
法规
ICH
药典2025
生物制品
药材饮片
配方颗粒
补充检验
蒲公英论坛
湖南省中药材质量标准 > 银杏叶
<<返 回
银杏叶
(湖南省中药材质量标准 - 1993年版)
/
(c)蒲标网 - 中国药典、药品标准、法规在线查询
( 津ICP备15007510号 )